-
Benutzerhandbücher
- Kunden
- Übersicht
- Aktuelle Angebote
- Servicetermin buchen
- Serviceleistungen
- Digitale Services
- Nissan Garantien
- Wartungsseite
- Wartung und Reparatur
- NissanConnect Apps
- NissanConnect Infotainment
- Kundenversprechen
- Rückruf- oder Serviceaktionen
- Zubehör
- NissanConnect Infotainment
- NissanConnect Apps – geeignete Fahrzeuge
- Koppelungs Prozess
- Nissan MORE
Benutzerhandbücher
Nissan Qashqai Benutzerhandbücher | 2023 – Heute
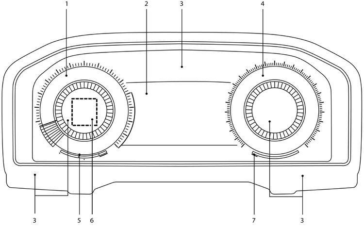
4.1.2. Modelle mit Vollbildanzeige

- 1. Drehzahlmesser
- 2. Fahrzeuginformationsanzeige
- 3. Warn- und Anzeigeleuchten
- 4. Tachometer
- 5. Kühlflüssigkeitstemperaturanzeige
- 6. Individuelle Anzeige
- 7. Kraftstoffanzeige

Verwenden Sie zur Reinigung ein weiches, mit Wasser angefeuchtetes Tuch. Verwenden Sie auf keinen Fall raue Tücher, Alkohol, Benzin, Verdünnungsmittel, Lösungsmittel jeglicher Art oder Papiertücher mit chemischen Reinigungsmitteln. Diese verursachen Kratzer oder Verfärbungen auf den Displays.
Sprühen Sie keine Flüssigkeiten wie Wasser auf die Instrumentenlinse. Das Sprühen von Flüssigkeit kann Störungen im System verursachen.
Benutzerhandbücher